Магазин запчастей для бытовой техники - Arlos
Москва
close
Выберите ваш регион
АбаканАлександровАльметьевскАнгарскАрзамасАрмавирАртемАрхангельскАстраханьАчинскБалаковоБалашихаБеларусьБелгородБердскБерезникиБийскБлаговещенскБратскБрянскВеликий НовгородВидноеВладивостокВладикавказВладимирВолгоградВолгодонскВолжскийВологдаВолховВоркутаВоронежВоскресенскВыборгГатчинаГеленджикГрозныйДедовскДербентДзержинскДзержинскийДимитровградДмитровДолгопрудныйДомодедовоДонецкЕвпаторияЕгорьевскЕкатеринбургЕлецЕссентукиЖелезногорскЖелезнодорожныйЖуковскийЗеленоградЗлатоустИвановоИвантеевкаИжевскИркутскИстраЙошкар-ОлаКазаньКалининградКалугаКаменск-УральскийКамышинКаспийскКемеровоКерчьКировКисловодскКлинКовровКоломнаКомсомольск-на-АмуреКопейскКоролёвКостромаКотельникиКрасногорскКраснодарКраснознаменскКрасноярскКурганКурскКызылЛенинск-КузнецкийЛипецкЛобняЛыткариноЛюберцыМагнитогорскМайкопМалаховкаМахачкалаМиассМоскваМурманскМуромМытищиНабережные ЧелныНазраньНальчикНаро-ФоминскНахабиноНаходкаНевинномысскНефтекамскНефтеюганскНижневартовскНижнекамскНижний НовгородНижний ТагилНовокузнецкНовокуйбышевскНовомосковскНовороссийскНовосибирскНовоуральскНовочебоксарскНовочеркасскНовошахтинскНовый УренгойНогинскНорильскНоябрьскОбнинскОдинцовоОктябрьскийОмскОрелОренбургОрехово-ЗуевоОрскПавловский ПосадПензаПервоуральскПермьПетрозаводскПетропавловск-КамчатскийПодольскПрокопьевскПсковПушкиноПятигорскРаменскоеРеутовРостов-на-ДонуРубцовскРыбинскРязаньСакиСалаватСамараСанкт-ПетербургСаранскСаратовСевастопольСеверодвинскСеверскСергиев ПосадСерпуховСимферопольСмоленскСосновый БорСочиСтавропольСтарый ОсколСтерлитамакСтупиноСургутСызраньСыктывкарТаганрогТамбовТверьТихвинТольяттиТомилиноТомскТроицкТулаТюменьУлан-УдэУльяновскУссурийскУсть-ИлимскУфаУхтаФеодосияФрязиноХабаровскХанты-МансийскХасавюртХимкиЧебоксарыЧелябинскЧереповецЧеркесскЧеховЧитаШахтыЩелковоЭлектростальЭлистаЭнгельсЮжно-СахалинскЯкутскЯлтаЯрославль
  • - бесплатно по РФ
    Автоперезвон. Работает по принципу: Вы позвонили на номер, мы сбрасываем звонок и перезваниваем через 3 секунды.
  • - по Москве
  • 8 (925) 663-83-63

Call-центр

пн-вс: 10:00-19:00

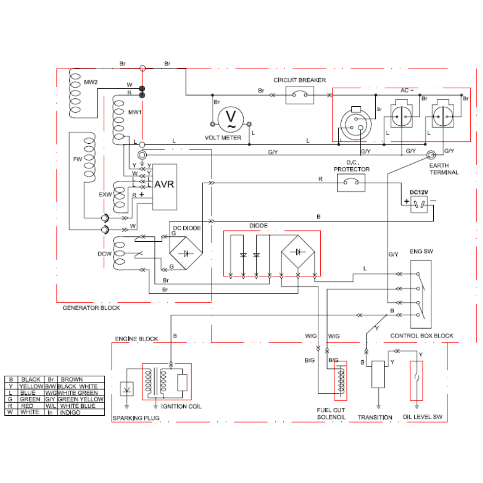
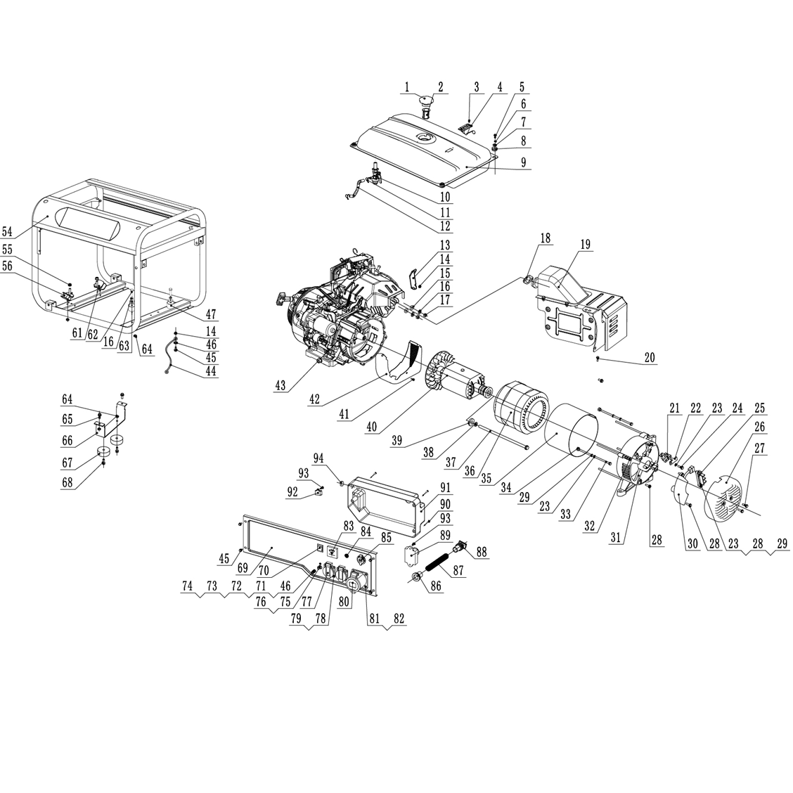
Генератор бензиновый ЗЭСБ-6200

Данная модель имеет несколько схем

NАртикулНазваниеСрок отгрузкиЦенаКупить
1.01 N000-013-045 Крышка бензинового бака
1.02 N000-012-862 Фильтр топливный 94 р.
1.03 N000-013-047 Винт M5x10
1.04 V000-000-929 Датчик уровня топлива
1.05 N000-013-048 Болт M6x20
1.06 N000-013-049 Шайба гровера D6
1.07 N000-013-050 Шайба D6
1.08 N000-013-051 Демпфер
1.09 N000-013-052 Бак топливный
1.10 N000-016-614 Кран топливный
1.11 N000-013-054 Зажим
1.12 N000-013-055 Шланг топливный L200 D8/d4
1.13 N000-013-056 Крепление воздушного фильтра
1.14 N000-013-057 Гайка M6
1.15 N000-013-058 Шайба D8
1.16 N000-013-059 Шайба гровера D8
1.17 N000-013-060 Гайка M6
1.18 N000-012-877 Прокладка глушителя 35 р.
1.19 N000-012-878 Глушитель в сборе 5.365 р.
1.21 N000-012-880 Щеткодержатель в сборе со щетками 5х6х19 176 р.
1.22 N000-013-065 Стержень
1.23 N000-013-066 Шайба гровера D5
1.24 N000-013-067 Болт M5х20
1.25 N000-013-068 Клеммы
1.26 N000-013-069 Крышка генератора 368 р.
1.27 N000-013-070 Болт М5x12
1.28 N000-013-071 Болт M5х16
1.29 N000-013-072 Шайба D5
1.30 N000-013-073 Болт M5х16
1.31 V000-004-252 АВР Блок регулятора напряжения AVR-4 5kW 1.618 р.
1.32 V000-004-253 Мост диодный в сборе 173 р.
1.33 N000-016-770 Симистр BTA-16-600 189 р.
1.34 N000-013-074 Болт M6х194
1.35 N000-013-075 Шайба D6
1.36 N000-013-076 Болт M5х229
1.37 N000-013-077 Гайка М5
1.38 N000-013-078 Крышка статора
1.39 N000-012-962 Статор 8.724 р.
1.40 N000-013-080 Болт M10х280
1.41 N000-013-081 Шайба гровера D10
1.42 N000-013-082 Шайба D10
1.43 N000-016-663 Ротор 9.295 р.
1.44 N000-013-084 Болт М6x8
1.45 N000-013-085 Направляющая воздушная
1.46 N000-012-903 Двигатель
1.47 N000-013-087 Провод заземления
1.49 N000-013-089 Шайба фиксирующая d6
1.50 N000-016-623 Виброизолятор
1.51 N000-012-913 Рама
1.52 N000-013-098 Гайка М10
1.53 N000-013-099 Крепеж двигателя
1.54 N000-013-104 Крепеж двигателя
1.55 N000-013-107 Гайка М8
1.56 N000-012-056 Панель управления
1.57 V000-000-919 Выключатель 124 р.
1.58 N000-013-122 Болт M6х22
1.59 N000-013-123 Гайка М6
1.60 N000-013-124 Шайба D6
1.61 N000-013-125 Шайба гровера D6
1.62 V000-003-201 Выключатель автоматический BSB1-30 230В 26.4А 1.333 р.
1.63 N000-013-126 Болт M3х6 с шайбой
1.64 V000-000-934 Розетка 220В/32А
1.65 N000-013-127 Винт М5x16
1.66 N000-013-128 Гайка М5
1.67 N000-016-631 Розетка 220В/16А
1.68 N000-013-129 Винт М4x14
1.69 N000-013-130 Гайка М4
1.70 V000-000-936 Вольтметр
1.71 V000-003-202 Выключатель автоматический 250В 10А 294 р.
1.72 N000-016-632 Розетка 12V
1.73 N000-013-131 Вилка
1.74 N000-013-132 Кабель управления АВР 5-пин 3.200 р.
1.75 N000-013-133 Вилка
1.76 N000-013-134 Болт M5х38 с шайбой
1.77 V000-000-939 Крышка блока управления 804 р.
1.78 V000-004-254 Мост диодный 213 р.
1.79 N000-013-135 Винт M5х14
1.80 N000-013-136 Вилка
1.81 V000-004-286 Диодный мост 447 р.
2.01 N000-013-137 Рукоять
2.03 N000-013-139 Крышка стартера
2.04 N000-013-140 Пружина стартера
2.05 N000-013-141 Катушка стартера
2.06 N000-013-142 Шнур стартера D5x1550
2.07 N000-013-143 Пружина храповика
2.08 N000-013-144 Храповик
2.09 N000-013-145 Пружина направляющей храповика
2.10 N000-013-146 Направляющая храповика
2.100 N000-013-234 Направляющая воздушная
2.101 V000-004-255 Мост диодный 213 р.
2.102 N000-013-235 Регулятор уровня обогащенности смеси
2.103 N000-013-236 Зажим
2.104 N000-013-237 Демпфер
2.11 N000-013-147 Винт
2.12 N000-013-088 Болт М6x12
2.13 N000-013-149 Зажим
2.14 N000-013-150 Крышка вентилятора
2.15 N000-013-151 Гайка М16x1.5
2.16 N000-013-152 Болт M6х29
2.17 N000-013-153 Рукоятка стартера
2.18 V000-000-926 Магнето H=70 h=68 d=30.5 L=215 1.869 р.
2.19 N000-013-154 Вентилятор
2.20 N000-011-498 Маховик
2.21 N000-012-963 Сальник D52xd35x7 322 р.
2.22 N000-013-157 Зажим проводов
2.23 N000-013-158 Воротник шнура
2.24 N000-013-159 Шайба D20хd12.5х2
2.25 N000-013-160 Блок цилиндра
2.26 V000-000-942 Датчик уровня масла поплавковый 452 р.
2.27 N000-013-161 Болт M6х15
2.28 N000-013-162 Подшипник 6202
2.29 N000-013-163 Балансир
2.30 N000-013-164 Вал коленчатый
2.31 N000-013-165 Прокладка крышки коленчатого вала
2.32 N000-013-166 Штифт установочный d9х14
2.33 N000-012-974 Стартер в сборе 1.182 р.
2.34 N000-013-168 Подшипник 6207 480 р.
2.35 N000-013-169 Щуп масляный
2.36 N000-013-170 Крышка корпуса коленчатого вала
2.37 N000-013-171 Болт M8х40
2.38 N000-013-172 Шайба D13хd6.4х1
2.39 N000-013-173 Вал регулятора
2.40 N000-012-981 Шестерня регулятора 411 р.
2.41 N000-013-175 Зажим регулятора
2.42 N000-013-176 Втулка регулятора
2.43 N000-013-177 Вал соединительный
2.44 N000-012-985 Поршень 1.331 р.
2.45 N000-013-179 Кольцо фиксирующее D21хd1 92 р.
2.46 N000-013-180 Палец поршня 189 р.
2.47 N000-012-988 Кольцо маслосъемное в сборе 1.053 р.
2.48 N000-012-989 Комплект поршневых колец 1.045 р.
2.49 N000-012-990 Кольцо поршневое первое
2.50 N000-013-184 Штифт установочный d12х20
2.51 N000-013-185 Прокладка головки цилиндра
2.52 N000-013-186 Направляющая воздушная
2.53 N000-013-187 Головка цилиндра
2.54 N000-013-188 Болт M8х34
2.55 N000-012-996 Свеча зажигания F6TC 252 р.
2.56 N000-013-190 Болт М10x80
2.57 N000-013-191 Прокладка крышки головки цилиндра
2.58 N000-013-192 Крышка головки цилинра
2.59 N000-013-193 Трубка воздушная
2.60 N000-013-194 Болт
2.61 N000-013-195 Болт слива масла
2.62 N000-013-003 Вал распределительный 3.002 р.
2.63 N000-013-004 Подъемник 292 р.
2.64 N000-013-005 Клапан впускной 420 р.
2.65 N000-013-006 Клапан выпускной 420 р.
2.66 N000-013-007 Толкатель 114 р.
2.67 N000-013-201 Стопор клапана
2.68 N000-013-009 Сальник D13.5xd10.5(5.5)xH7 94 р.
2.69 N000-013-203 Пружина клапана
2.70 N000-013-204 Болт коромысла
2.71 N000-013-205 Стопор клапана впускного
2.72 N000-013-206 Стопор клапана выпускного
2.73 N000-013-207 Вращатель
2.74 N000-013-208 Направляющая толкателя
2.75 N000-013-209 Коромысло
2.76 N000-013-210 Гайка регулировочная
2.77 N000-013-211 Гайка
2.78 N000-013-212 Фильтр воздушный
2.79 N000-013-213 Болт
2.80 N000-013-214 Прокладка
2.81 N000-013-215 Прокладка изолирующая
2.82 N000-013-216 Прокладка карбюратора
2.83 N000-013-024 Карбюратор 1.577 р.
2.84 N000-013-218 Прокладка воздушного фильтра
2.85 N000-013-219 Гайка М6
2.86 N000-013-220 Основание воздушного фильтра
2.87 N000-013-221 Уплотнение воздушного фильтра
2.88 N000-013-222 Сепаратор воздушного фильтра
2.89 N000-013-030 Элемент фильтрующий 243 р.
2.90 N000-013-224 Крышка воздушного фильтра 962 р.
2.91 N000-013-225 Вал регулятора
2.92 N000-013-226 Шайба D17хd8.2х0.8
2.93 N000-013-227 Сальник D14xd8x5 181 р.
2.94 N000-013-228 Штифт
2.95 N000-013-229 Толкатель регулятора
2.96 N000-013-230 Болт M6х21
2.97 N000-013-231 Стержень регулятора
2.98 N000-013-232 Пружина
2.99 N000-013-233 Пружина регулятора
Найдено товаров: 182
1
▲ Наверх
0
8 (925) 663-83-63

Call-центр

пн-вс: 10:00-19:00

НАЙТИ ПО МОДЕЛИ
Введите номер заказа
Введите номер своего заказа, что бы узнать его текущий статус.
Что бы получить доступ к расширенным функциям, пройдите не сложную регистрацию. Зарегистрироваться